文库 计算机 电子信息工程

基于单片机的视力保护器设计-7091字.pdf

2022及前全 PDF   20页   下载0   2026-01-15   浏览6   收藏0   点赞0   评分-   12157字   20.00
温馨提示:当前文档最多只能预览 10 页,若文档总页数超出了 10 页,请下载原文档以浏览全部内容。
基于单片机的视力保护器设计-7091字.pdf 第1页
基于单片机的视力保护器设计-7091字.pdf 第2页
基于单片机的视力保护器设计-7091字.pdf 第3页
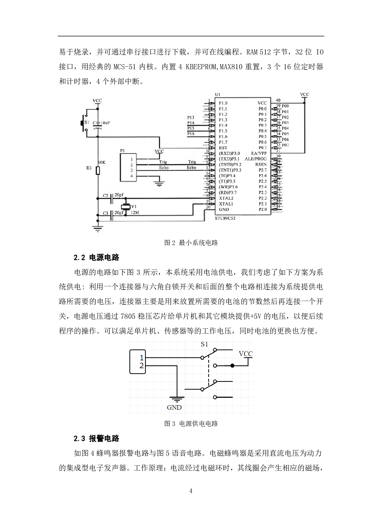
基于单片机的视力保护器设计-7091字.pdf 第4页
基于单片机的视力保护器设计-7091字.pdf 第5页
基于单片机的视力保护器设计-7091字.pdf 第6页
基于单片机的视力保护器设计-7091字.pdf 第7页
基于单片机的视力保护器设计-7091字.pdf 第8页
基于单片机的视力保护器设计-7091字.pdf 第9页
基于单片机的视力保护器设计-7091字.pdf 第10页
剩余10页未读, 下载浏览全部
目 录 前 言 .................................................... 1 1. 系统的方案 ............................................ 1 1.1 系统方案论证 .................................................. 1 1.2 系统方案选择 .................................................. 1 2. 系统主要硬件电路设计 .................................. 3 2.1 主控电路 ...................................................... 3 2.2 电源电路 ...................................................... 4 2.3 报警电路 ...
基于单片机的视力保护器设计-7091字.pdf