文库 计算机 电子信息工程

基于MSP430单片机的无线充电循迹小车设计-6270字.pdf

2022及前全 PDF   17页   下载0   2026-01-15   浏览3   收藏0   点赞0   评分-   8533字   20.00
温馨提示:当前文档最多只能预览 10 页,若文档总页数超出了 10 页,请下载原文档以浏览全部内容。
基于MSP430单片机的无线充电循迹小车设计-6270字.pdf 第1页
基于MSP430单片机的无线充电循迹小车设计-6270字.pdf 第2页
基于MSP430单片机的无线充电循迹小车设计-6270字.pdf 第3页
基于MSP430单片机的无线充电循迹小车设计-6270字.pdf 第4页
基于MSP430单片机的无线充电循迹小车设计-6270字.pdf 第5页
基于MSP430单片机的无线充电循迹小车设计-6270字.pdf 第6页
基于MSP430单片机的无线充电循迹小车设计-6270字.pdf 第7页
基于MSP430单片机的无线充电循迹小车设计-6270字.pdf 第8页
基于MSP430单片机的无线充电循迹小车设计-6270字.pdf 第9页
基于MSP430单片机的无线充电循迹小车设计-6270字.pdf 第10页
剩余7页未读, 下载浏览全部
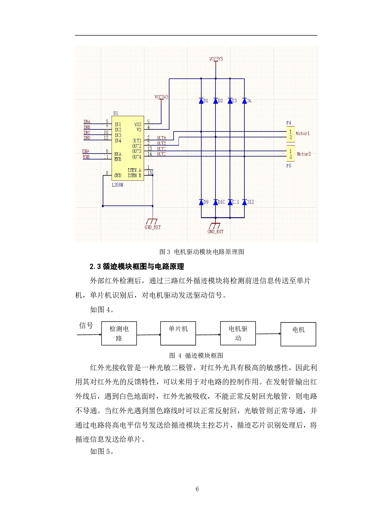
目录 前言.....................................................1 1.系统方案设计...........................................1 1.1主控模块.....................................................1 1.2无线充电模块与电能存储模块...................................2 1.3开关选择.....................................................3 1.4循迹与电机驱动模块..........................................3 2.硬件电路设计...........................................4 2.1系统总框图........................................
基于MSP430单片机的无线充电循迹小车设计-6270字.pdf