文库 机械管理与电气自动化 测控技术与仪器

智能避障小车设计与实现-10838字.docx

2022及前全 DOCX   32页   下载0   2026-01-10   浏览9   收藏0   点赞0   评分-   17608字   20.00
温馨提示:当前文档最多只能预览 10 页,若文档总页数超出了 10 页,请下载原文档以浏览全部内容。
智能避障小车设计与实现-10838字.docx 第1页
智能避障小车设计与实现-10838字.docx 第2页
智能避障小车设计与实现-10838字.docx 第3页
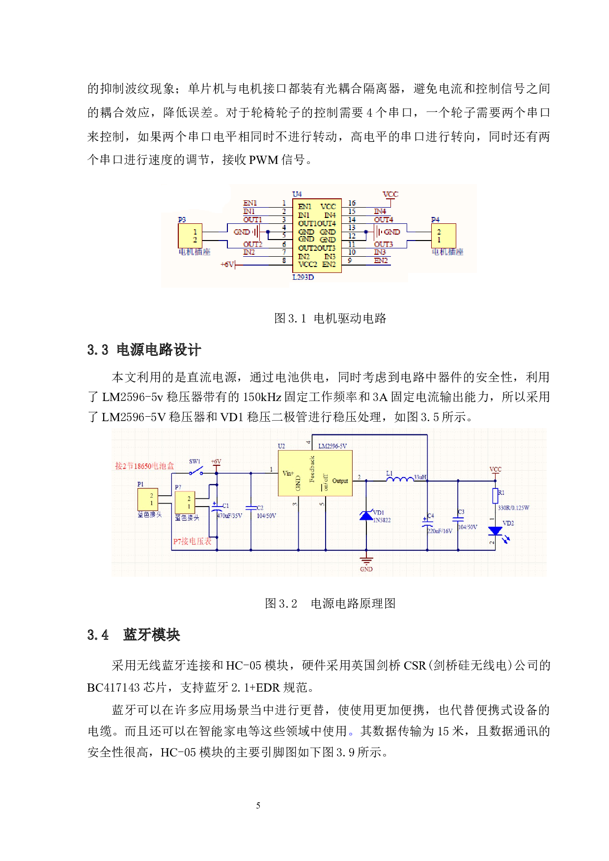
智能避障小车设计与实现-10838字.docx 第4页
智能避障小车设计与实现-10838字.docx 第5页
智能避障小车设计与实现-10838字.docx 第6页
智能避障小车设计与实现-10838字.docx 第7页
智能避障小车设计与实现-10838字.docx 第8页
智能避障小车设计与实现-10838字.docx 第9页
智能避障小车设计与实现-10838字.docx 第10页
剩余22页未读, 下载浏览全部
智能避障小车设计与实现 摘 要 本文设计了是基于树莓派的智能避障小车,系统采用树莓派作为控制芯片,结合了超声波传感器、蓝牙模块、摄像头模块等,通过超声波以及摄像头感知的障碍信息,实现小车的自动避障,通过 PID 算法实现精确控制。本文完成了系统的硬件设计,包括器件选型,电路设计,对系统软件进行设计,为提升控制精确,引入 PID 算法,进行参数的优化仿真,得到最优化控制策略。 关键词: 树莓派,智能避障,智能小车, PID Design and implementation of intelligent obstacle avoidance car Abstract This article design
智能避障小车设计与实现-10838字.docx