文库 计算机 电子信息工程

基于单片机的超声波倒车雷达-7959字.pdf

2022及前全 PDF   33页   下载0   2026-01-15   浏览1   收藏0   点赞0   评分-   15590字   20.00
温馨提示:当前文档最多只能预览 10 页,若文档总页数超出了 10 页,请下载原文档以浏览全部内容。
基于单片机的超声波倒车雷达-7959字.pdf 第1页
基于单片机的超声波倒车雷达-7959字.pdf 第2页
基于单片机的超声波倒车雷达-7959字.pdf 第3页
基于单片机的超声波倒车雷达-7959字.pdf 第4页
基于单片机的超声波倒车雷达-7959字.pdf 第5页
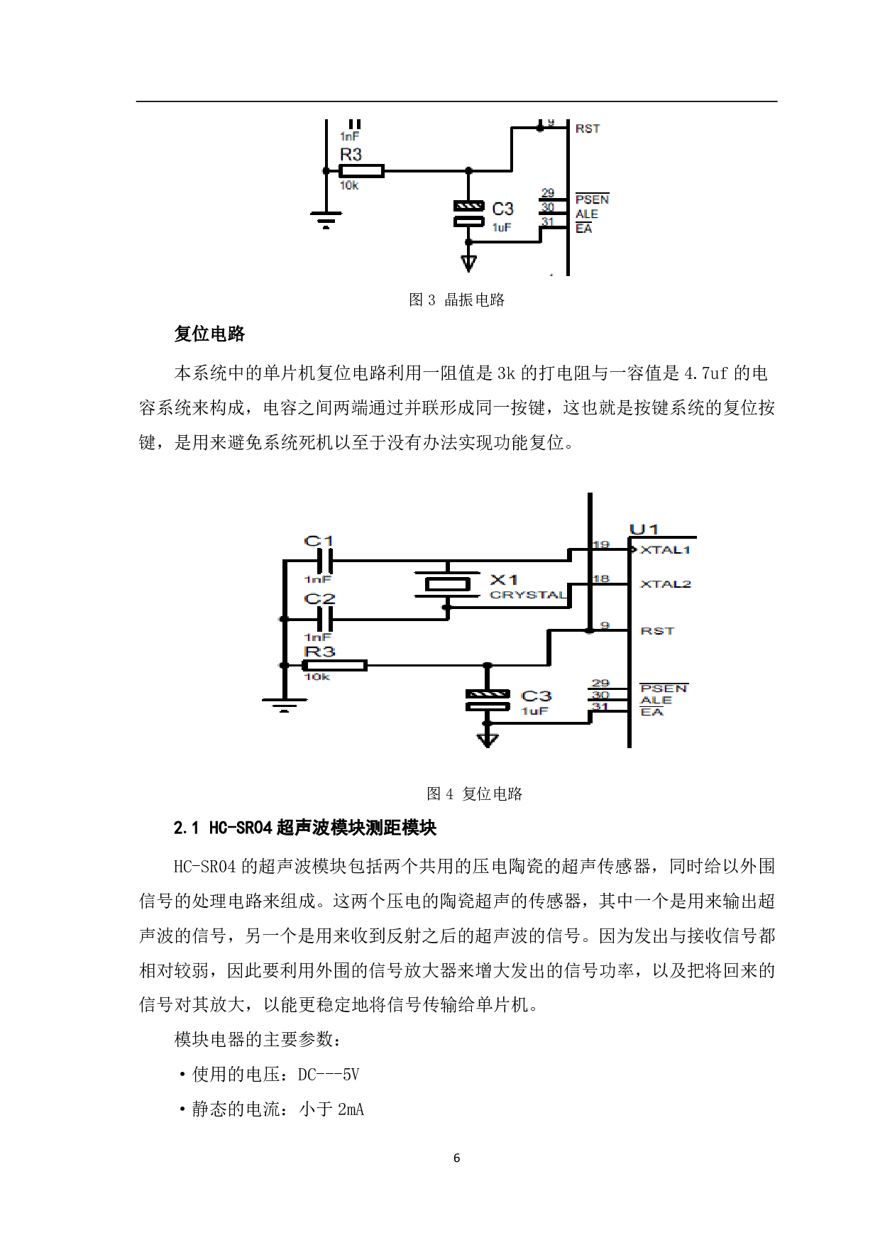
基于单片机的超声波倒车雷达-7959字.pdf 第6页
基于单片机的超声波倒车雷达-7959字.pdf 第7页
基于单片机的超声波倒车雷达-7959字.pdf 第8页
基于单片机的超声波倒车雷达-7959字.pdf 第9页
基于单片机的超声波倒车雷达-7959字.pdf 第10页
剩余23页未读, 下载浏览全部
 ?? 1. 1.1 ???????? 1.2 ?????? 1.3 GH???[???? 2. 2.1 HC-SR04 2.2 ????)??? 3. 3.1 ??*&??&? 3.2 4. 4.1 4.2    1  !"#$ %& mf (>? Fkm;kgUTU???; ???M?cF ???UMhij? GHV;|}hijhiI?T?IF;A2Mgde?; U?gdeGHZ[;_yzhij;z !"??#o?" ?$ ?
基于单片机的超声波倒车雷达-7959字.pdf