文库 计算机 计算机科学与技术

基于FPGA的信号发生器的设计-7390字.docx

2022及前全 DOCX   19页   下载0   2026-01-15   浏览2   收藏0   点赞0   评分-   15346字   20.00
温馨提示:当前文档最多只能预览 10 页,若文档总页数超出了 10 页,请下载原文档以浏览全部内容。
基于FPGA的信号发生器的设计-7390字.docx 第1页
基于FPGA的信号发生器的设计-7390字.docx 第2页
基于FPGA的信号发生器的设计-7390字.docx 第3页
基于FPGA的信号发生器的设计-7390字.docx 第4页
基于FPGA的信号发生器的设计-7390字.docx 第5页
基于FPGA的信号发生器的设计-7390字.docx 第6页
基于FPGA的信号发生器的设计-7390字.docx 第7页
基于FPGA的信号发生器的设计-7390字.docx 第8页
基于FPGA的信号发生器的设计-7390字.docx 第9页
基于FPGA的信号发生器的设计-7390字.docx 第10页
剩余9页未读, 下载浏览全部
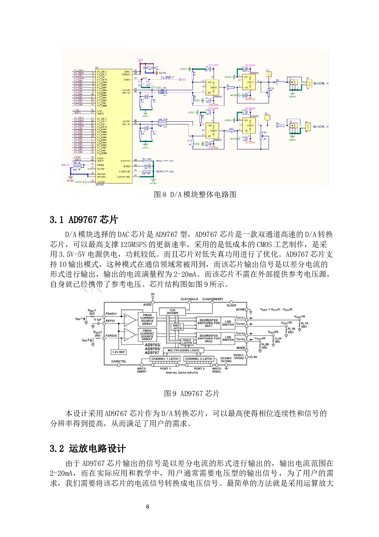
目 录 1. 引 言 1 2. 信号发生模块 2 2.1 DDS基本 原理 3 2.2 相位累加器模块 3 2.3 波形存储器模块 5 2. 4 PLL模块 7 2. 5波形和频率控制模块 8 3. D/A模块及运算放大电路设计 9 3.1 AD9767芯片 9 3.2 运放电路 1 0 4.实验测试 与结果 1 1 4.1 信号发生器 实验验证 1 1 4.2 实验结果 1 2 5.总结 14 参考文献 1 4 致谢 1 4 附录 1 5 基于 FPGA信号发生器 的设计 作者: 储 烨 指导教师:严世胜 (海南师范大学 物理与电子工程学院 ,海口, 571158 ) 摘 要: 当今时代的工业和技术在飞速的发展 , 信号发生器在实际的
基于FPGA的信号发生器的设计-7390字.docx