文库 化学与材料工程 化学工程与工艺

吨的生物柴油工厂设计-1595字.pdf

PDF   28页   下载0   2025-10-28   浏览30   收藏0   点赞0   评分-   13963字   6积分
温馨提示:当前文档最多只能预览 10 页,若文档总页数超出了 10 页,请下载原文档以浏览全部内容。
吨的生物柴油工厂设计-1595字.pdf 第1页
吨的生物柴油工厂设计-1595字.pdf 第2页
吨的生物柴油工厂设计-1595字.pdf 第3页
吨的生物柴油工厂设计-1595字.pdf 第4页
吨的生物柴油工厂设计-1595字.pdf 第5页
吨的生物柴油工厂设计-1595字.pdf 第6页
吨的生物柴油工厂设计-1595字.pdf 第7页
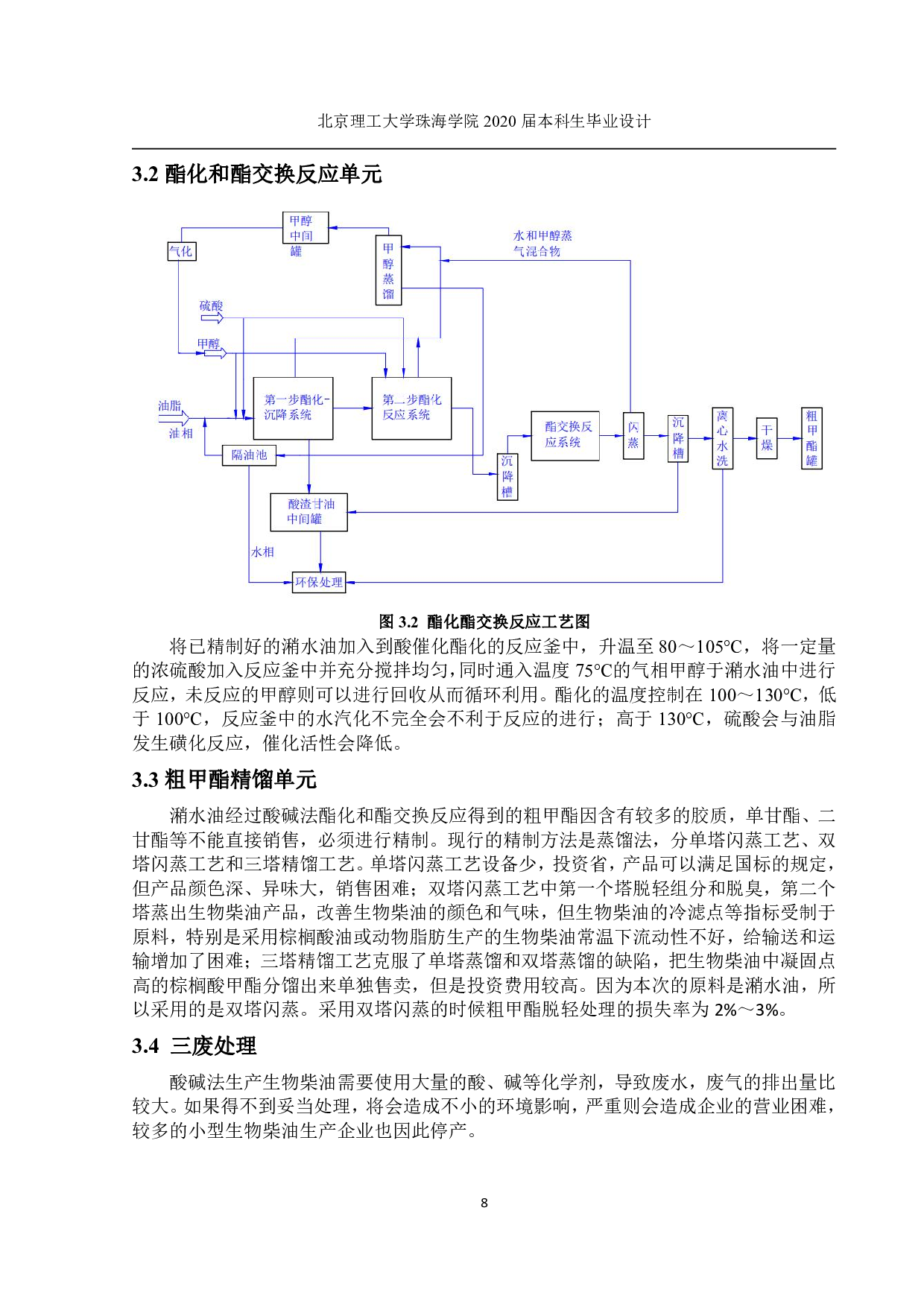
吨的生物柴油工厂设计-1595字.pdf 第8页
吨的生物柴油工厂设计-1595字.pdf 第9页
吨的生物柴油工厂设计-1595字.pdf 第10页
剩余18页未读, 下载浏览全部
北京理工大学珠海学院2020届本科生毕业设计 4 2厂址选择及原料来源 2.1厂址选址 厂址的选址是工厂设计中一个极为重要的部分,就是我们需要结合多种数据对比和 各个方面综合考虑而定,一般来说就是在自然环境特点、技术资金条件、行业自身条件 约束等方面来进行选择。所选厂址的占地大小应该尽量满足生产要求,并留下适当的发 展空地以备未来的发展。 2.1.1设厂的地理位置 工厂的地理位置初步确认在珠海市斗门区乾务镇五山沙龙工业区,位于珠江三角洲 西南端,珠海市的最西部。生物柴油装置所排放的废气主要成分是氮气以及少量的甲醇、 二
吨的生物柴油工厂设计-1595字.pdf