文库 机械管理与电气自动化 自动化

手机塑料外壳注塑模具设计-7886字.pdf

2022及前全 PDF   22页   下载0   2026-01-16   浏览0   收藏0   点赞0   评分-   14189字   20.00
温馨提示:当前文档最多只能预览 10 页,若文档总页数超出了 10 页,请下载原文档以浏览全部内容。
手机塑料外壳注塑模具设计-7886字.pdf 第1页
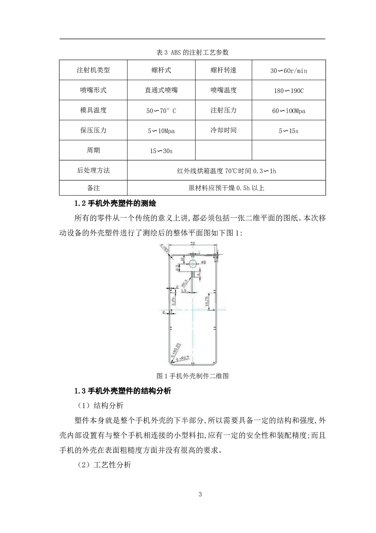
手机塑料外壳注塑模具设计-7886字.pdf 第2页
手机塑料外壳注塑模具设计-7886字.pdf 第3页
手机塑料外壳注塑模具设计-7886字.pdf 第4页
手机塑料外壳注塑模具设计-7886字.pdf 第5页
手机塑料外壳注塑模具设计-7886字.pdf 第6页
手机塑料外壳注塑模具设计-7886字.pdf 第7页
手机塑料外壳注塑模具设计-7886字.pdf 第8页
手机塑料外壳注塑模具设计-7886字.pdf 第9页
手机塑料外壳注塑模具设计-7886字.pdf 第10页
剩余12页未读, 下载浏览全部
G Qmno  pqrstu9vw+ #yz{| f}#~?}# 9????>????ln???YOh ??}???,???? ?YOh 9GH??}? <>??(OhHf(  < ??}???AJ???Y9OhH?J???U9?Y??? Oh89???\'(:;??OhH9]??J?j?- ?YOhH?J??????JPf@ 9 %& <f=DAB?? ????Pf%89???\??f(?? ??NO??A?????9P,???:
手机塑料外壳注塑模具设计-7886字.pdf