文库 航空航天 航空航天工程

数字式飞行控制系统应用研究-9351字.docx

2022及前全 DOCX   18页   下载0   2026-01-12   浏览4   收藏0   点赞0   评分-   11641字   20.00
温馨提示:当前文档最多只能预览 10 页,若文档总页数超出了 10 页,请下载原文档以浏览全部内容。
数字式飞行控制系统应用研究-9351字.docx 第1页
数字式飞行控制系统应用研究-9351字.docx 第2页
数字式飞行控制系统应用研究-9351字.docx 第3页
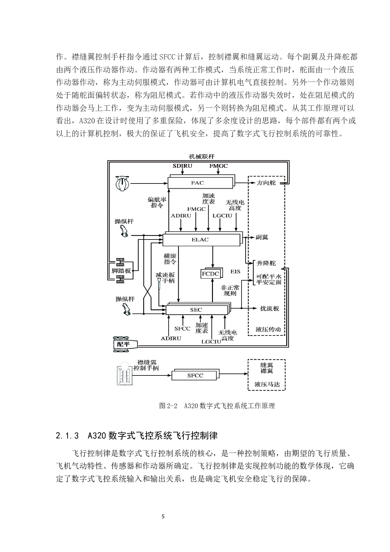
数字式飞行控制系统应用研究-9351字.docx 第4页
数字式飞行控制系统应用研究-9351字.docx 第5页
数字式飞行控制系统应用研究-9351字.docx 第6页
数字式飞行控制系统应用研究-9351字.docx 第7页
数字式飞行控制系统应用研究-9351字.docx 第8页
数字式飞行控制系统应用研究-9351字.docx 第9页
数字式飞行控制系统应用研究-9351字.docx 第10页
剩余8页未读, 下载浏览全部
数字式飞行控制系统应用研究 摘 要 数字式飞行控制系统是当今民机上广泛使用的飞控系统,可以提高民机飞行安全性,舒适性和经济性,是保障飞机飞行安全的重要部分,研究其应用现状对发展数字式飞控系统具有重要意义。本论文列举了A320和B787上数字式飞控系统应用实例,了解不同机型上数字式飞控系统组成及工作原理,分析二者不同特点,了解其对于保障飞行安全的作用以及数字式飞控系统发展历程。本论文还介绍了未来数字式飞控系统发展中两种具有潜力的飞控系统。一个是光传导操纵系统,利用光代替电传输数据,提高操纵速率和操纵品质,改
数字式飞行控制系统应用研究-9351字.docx