文库 机械管理与电气自动化 自动化

非特定语音识别控制系统的设计及制作-8668字.pdf

2022及前全 PDF   28页   下载0   2026-01-16   浏览0   收藏0   点赞0   评分-   18068字   20.00
温馨提示:当前文档最多只能预览 10 页,若文档总页数超出了 10 页,请下载原文档以浏览全部内容。
非特定语音识别控制系统的设计及制作-8668字.pdf 第1页
非特定语音识别控制系统的设计及制作-8668字.pdf 第2页
非特定语音识别控制系统的设计及制作-8668字.pdf 第3页
非特定语音识别控制系统的设计及制作-8668字.pdf 第4页
非特定语音识别控制系统的设计及制作-8668字.pdf 第5页
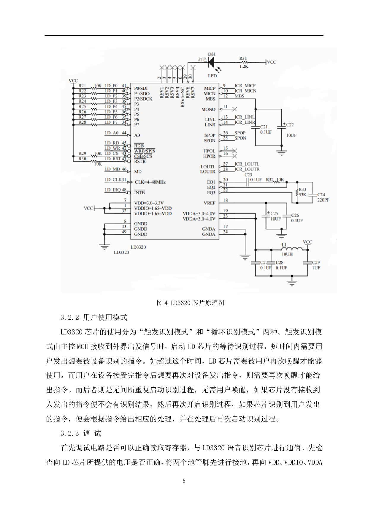
非特定语音识别控制系统的设计及制作-8668字.pdf 第6页
非特定语音识别控制系统的设计及制作-8668字.pdf 第7页
非特定语音识别控制系统的设计及制作-8668字.pdf 第8页
非特定语音识别控制系统的设计及制作-8668字.pdf 第9页
非特定语音识别控制系统的设计及制作-8668字.pdf 第10页
剩余18页未读, 下载浏览全部
4. 4.1 xoyz0 4.2 4.3  4.4 ???? 4.5 (v?? 4.6 ??? 5. 5.1 c 5.2 ? 5.3 6. 6.1 a?MN 7. 7.1 '?a 7.2 'I? ???? ??  x\??? FG@A??????H???o?????  ?MNKL??o????????KL ?? ?x\?????V? ??_??P??o????C ????? ??Zr????/???????????r??K?/ ? ?????Z????
非特定语音识别控制系统的设计及制作-8668字.pdf