添加到电脑桌面
添加到电脑桌面,以后点击桌面图标一键打开,无需搜索,非常快捷!
立即添加
资源篮
0
普通会员
限时优惠
登录
文档分类
计算机
金融/投资/证券
医药卫生
汽车/机械
外语学习
法律/法规/法学
研究生考试
电子工程
经济/贸易/财会
建筑/施工
幼儿/小学教育
文学/历史
教师资格考试
学术论文
上传下载
我要上传
上传规定
关于下载
下载须知
上传说明
投稿帮助
关于积分
关于提现
新手攻略
文档认领
特殊渠道特权
VIP收益说明
协议条款
用户协议
隐私政策
商户服务协议
上传积分文档协议
会员服务协议
文库
计算机
计算机科学与技术
数据机房环境监测系统设计-8051字.doc
2022及前全
DOC
18页
下载0
2026-01-15
浏览1
收藏0
点赞0
评分-
20.00
温馨提示:当前文档最多只能预览 10 页,若文档总页数超出了 10 页,请下载原文档以浏览全部内容。
剩余8页未读,
下载浏览全部
收藏
已收藏
喜欢
已喜欢
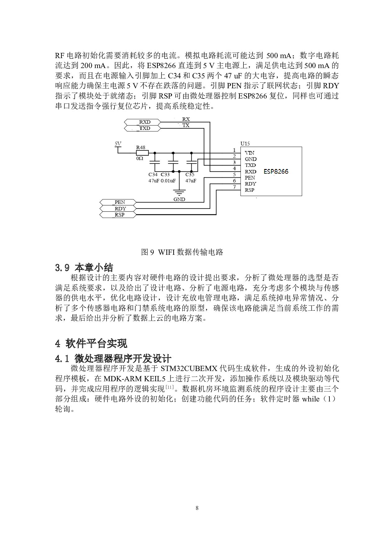
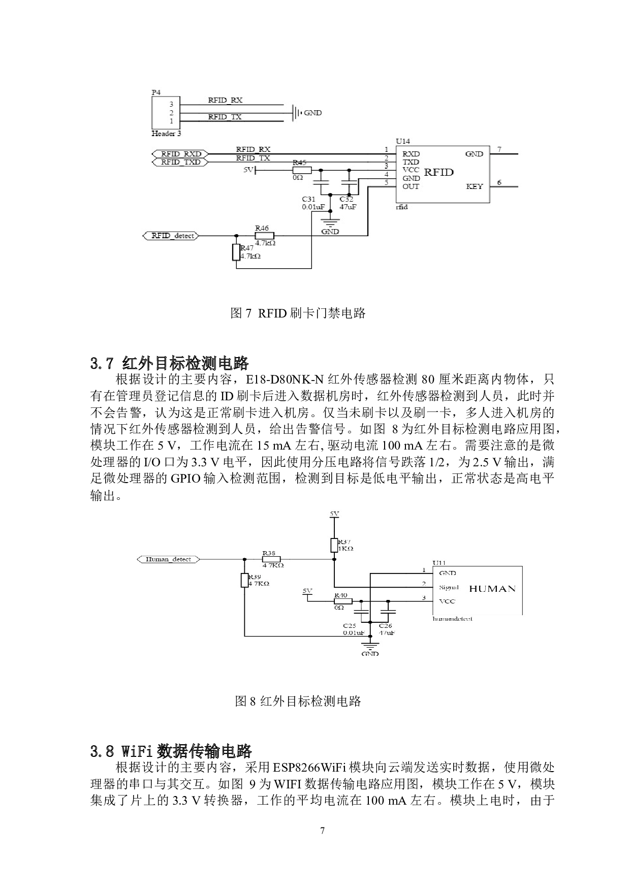
文档描述
数据机房环境监测系统设计-8051字.doc
ruan
这个人很懒,什么都没留下
个人认证
查看用户
该文档于
上传
推荐文档
最新文档
上交论文材料.zip
3218004949周思毕业设计.zip
3218004946-魏桂佳-计算机学院-18级-计算机科学与技术 .zip
3118004942赵松江电子文档.zip
3118004939袁源.zip
3118004923林欢凯毕设资料.zip
3118004921林达海毕业设计.zip
3118004913胡成-毕业设计.zip
18计科6-3218004944李倩附件.zip
18计科6-3118004937许子麟附件.zip