文库 机械管理与电气自动化 自动化

饺子成型机的研制——和面机构设计-12708字.docx

2022及前全 DOCX   41页   下载0   2026-01-12   浏览2   收藏0   点赞0   评分-   17378字   20.00
温馨提示:当前文档最多只能预览 10 页,若文档总页数超出了 10 页,请下载原文档以浏览全部内容。
饺子成型机的研制——和面机构设计-12708字.docx 第1页
饺子成型机的研制——和面机构设计-12708字.docx 第2页
饺子成型机的研制——和面机构设计-12708字.docx 第3页
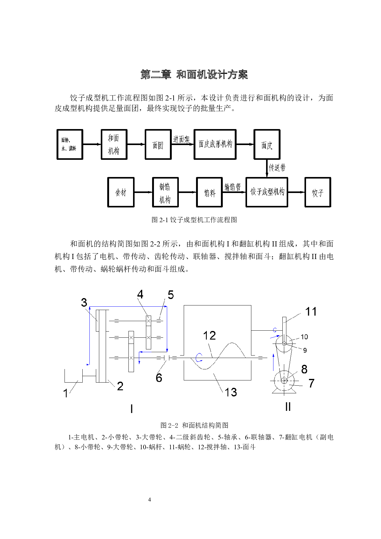
饺子成型机的研制——和面机构设计-12708字.docx 第4页
饺子成型机的研制——和面机构设计-12708字.docx 第5页
饺子成型机的研制——和面机构设计-12708字.docx 第6页
饺子成型机的研制——和面机构设计-12708字.docx 第7页
饺子成型机的研制——和面机构设计-12708字.docx 第8页
饺子成型机的研制——和面机构设计-12708字.docx 第9页
饺子成型机的研制——和面机构设计-12708字.docx 第10页
剩余31页未读, 下载浏览全部
饺子成型机的研制—— 和面 机构设计 摘要 本文对卧式和面机的 和面 传动系统、搅拌装置 、 翻缸机构进行了研究设计。 和面 传动系统由电机、带轮和二级斜齿传动、 联轴器、 搅拌轴构成, 设计内容包括了 电机选型、 传动比分配 、 带轮的结构设计 、二级斜齿 传动的设计 、联轴器选型 。搅拌装置由支撑轴、搅龙、面斗构成,设计内容包括了 支撑轴 的结构设计 、搅拌轴搅龙外形 的 设计 、 对搅拌轴进行安全校核 以及对面斗的结构设计。 翻缸 机构 由电机、带轮、蜗轮蜗杆 传动 构成, 设计内容包括了 电机 功率计算 、传动比分配、蜗轮蜗杆
饺子成型机的研制——和面机构设计-12708字.docx